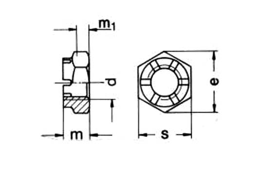
TUERCAS DECOLETAJE ALMENADAS
DIN 937 - MÉTRICA

Industrias Azkoin

Amillaga, 43 - Pol. San Lorenzo
Apdo. 109 - 20570 Bergara (Gipuzkoa)

ISO 9001 Applus

Certificado de Calidad
de la Organización

Calidad

Política de Calidad
en Industrias Azkoin

Contacto

(+34) 943 761 052
(+34) 943 760 850
azkoin@azkoin.com